Pneumatic shuttle valve which is also sometimes called an 'or valve' (either this inlet 'or' that inlet).Two inlets with one outlet where only one inlet can be active. Available from 1/4" to 1". Great for applications where there is two pressure supplies but only one will be working at a specific time.

Specification ASV-01 ASV-02 ASV-03 ASV-04 ASV-05 ASV-06
Port Size G1/8” G1/4” G3/8” G1/2” G3/4” G1”
Nominal Diameter 3mm 6mm 8mm 10mm 15mm 20mm
Pressure Range 0.5 to 12 BAR
Max Inlet Pressure 12 BAR
Medium Temperature -5 to 60°C
Body Die Cast Aluminium
Lubrication Not Required
Applicable Medium Air

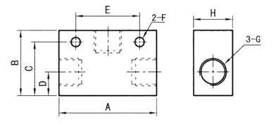
Shuttle Valve Dimensions

Specification A B C D E F G H
ASV-01 40 26 21 8 25 Ø4.3 G1/8” 16
ASV-02 52 35 25 11 35 Ø5.5 G1/4” 22
ASV-03 75 50 41 18 48 Ø7 G3/8” 30
ASV-04 75 50 41 18 48 Ø7 G1/2" 30
ASV-05 110 70 58 22 72 Ø7 G3/4” 40
ASV-06 110 70 58 22 72 Ø7 G1” 40

All dimensions in mm unless shown otherwise. 

Size 1/4" to 1" BSP
Function Shuttle Valve
Body Aluminium
Pressure Range 0.5 to 12 BAR
Media Air

You May Also Like

Product History