Ductile Iron Flanged Diaphragm Operated Pressure Reducing Valve for Steam
SKU: GP-2000F
Yoshitake Japan GP-2000 Flanged Pressure Reducing Valve for Steam Applications.
- Pilot operated diaghragm type
- Superior capacity & performance
- Accurate control
- Valve leakage meets ANSI Class IV
- Made by Yoshitake Japan
| Application | Steam |
|---|---|
| Type | Pilot operated diaphragm |
| Inlet Pressure | 1 to 20 Bar |
| Reduced Pressure | 0.2 to 14 Bar |
| Connection | ANSI 150 |
| Adjustable Reduced Pressure | 85% or less of inlet pressure |
| Minimum Differential Pressure | 0.5 Bar |
| Maximum Pressure Reduction Ratio | 20:1 |
| Temperature | 0 to 220°C |
| Body | Ductile Iron |
| Valve & Seat | Stainless Steel |
| Pilot Valve & Seat | Stainless Steel |
| Diaphragm | Brass or Bronze |
Flow Rate in Kg per Hour
| P1(MPa) | P2(MPa) | 50mm | 65mm | 80mm | 100mm | 125mm | 150mm | 200mm |
|---|---|---|---|---|---|---|---|---|
| 2 | 0.1-0.9 | 8064 | 13608 | 17640 | 27216 | 28224 | 56700 | 58968 |
| 1 | 7889 | 13330 | 17280 | 26661 | 27648 | 55543 | 57765 | |
| 1.2 | 7273 | 12290 | 15931 | 24580 | 25490 | 51208 | 53257 | |
| 1.4 | 6481 | 10952 | 14197 | 21904 | 22715 | 45633 | 47459 | |
| 1.8 | 0.1-0.8 | 7296 | 12312 | 15960 | 24624 | 25536 | 51300 | 53352 |
| 0.9 | 7125 | 12039 | 15606 | 24078 | 24969 | 50162 | 52169 | |
| 1 | 6832 | 11544 | 14965 | 23089 | 23944 | 48102 | 50026 | |
| 1.2 | 6111 | 10325 | 13385 | 20651 | 21416 | 43024 | 44745 | |
| 1.4 | 5143 | 8690 | 11265 | 17380 | 18024 | 36210 | 37658 | |
| 1.6 | 0.1-0.7 | 6528 | 11016 | 14280 | 22032 | 22848 | 45900 | 47736 |
| 1 | 5716 | 9658 | 12520 | 19317 | 20033 | 40245 | 41855 | |
| 1.3 | 4253 | 7186 | 9315 | 14378 | 14905 | 29943 | 31141 | |
| 1.4 | 0.1-0.6 | 5760 | 9720 | 12600 | 19440 | 20160 | 40500 | 42120 |
| 1 | 4497 | 7599 | 9851 | 15199 | 15762 | 31664 | 32931 | |
| 1.1 | 3969 | 6706 | 8694 | 13413 | 13910 | 27945 | 29062 | |
| 1.2 | 0.1-0.5 | 4992 | 8424 | 10920 | 16848 | 17472 | 35100 | 36504 |
| 1 | 3055 | 5162 | 6692 | 10325 | 10708 | 21512 | 22372 | |
| 1 | 0.1-0.4 | 4224 | 7128 | 9240 | 14256 | 14784 | 29700 | 30888 |
| 0.5 | 4066 | 6870 | 8906 | 13740 | 14249 | 28626 | 29771 | |
| 0.8 | 2789 | 4713 | 6109 | 9426 | 9775 | 19637 | 20423 | |
| 0.9 | 0.1-0.4 | 3840 | 6480 | 8400 | 12960 | 13440 | 27000 | 28080 |
| 0.5 | 3528 | 5961 | 7728 | 11923 | 12364 | 24840 | 25833 | |
| 0.7 | 2646 | 4471 | 5796 | 8942 | 9273 | 18630 | 19375 | |
| 0.8 | 0.1-0.3 | 3456 | 5832 | 7560 | 11664 | 12096 | 24300 | 25272 |
| 0.5 | 2958 | 4998 | 6480 | 9997 | 10368 | 20828 | 21662 | |
| 0.7 | 0.1-0.3 | 3072 | 5184 | 6720 | 10368 | 10752 | 21600 | 22464 |
| 0.5 | 2333 | 3943 | 5111 | 7886 | 8178 | 16430 | 17087 | |
| 0.6 | 0.1-0.2 | 2688 | 4536 | 5880 | 9072 | 9408 | 18900 | 19656 |
| 0.3 | 2533 | 4280 | 5549 | 8561 | 8878 | 17836 | 18550 | |
| 0.5 | 1590 | 2686 | 3482 | 5373 | 5572 | 11195 | 11643 | |
| 0.5 | 0.1-0.2 | 2304 | 3888 | 5040 | 7776 | 8064 | 16200 | 16848 |
| 0.3 | 1972 | 3332 | 4320 | 6665 | 6912 | 13885 | 14441 | |
| 0.4 | 1462 | 2471 | 3203 | 4943 | 5126 | 10298 | 10710 | |
| 0.4 | 0.05-0.15 | 1920 | 3240 | 4200 | 6480 | 6720 | 13500 | 14040 |
| 0.3 | 1323 | 2235 | 2898 | 4471 | 4636 | 9315 | 9687 | |
| 0.3 | 0.05-0.1 | 1536 | 2592 | 3360 | 5184 | 5376 | 10800 | 11232 |
| 0.2 | 1166 | 1971 | 2555 | 3943 | 4089 | 8215 | 8543 | |
| 0.2 | 0.05 | 1152 | 1944 | 2520 | 3888 | 4032 | 8100 | 8424 |
| 0.1 | 986 | 1666 | 2160 | 3332 | 3456 | 6942 | 7220 | |
| 0.1 | 0.05 | 583 | 985 | 1277 | 1971 | 2044 | 4107 | 4271 |
* P1 = Inlet pressure, P2 = Outlet Pressure

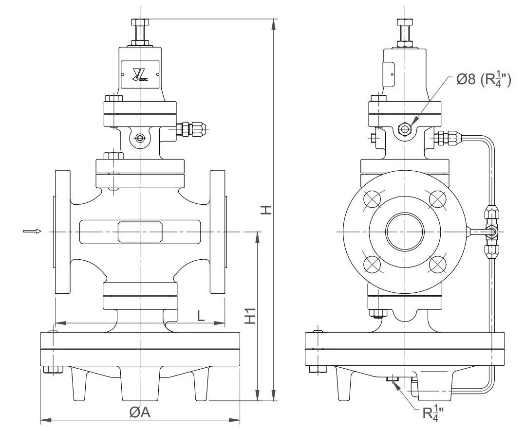
| Size | L (mm) | H (mm) | H1 | A | Weight (kg) | Cv value |
|---|---|---|---|---|---|---|
| 15 | 146 | 398 | 170 | 200 | 15.5 | 5 |
| 20 | 146 | 398 | 170 | 200 | 16 | 7.2 |
| 25 | 156 | 404 | 175 | 226 | 21 | 10.9 |
| 32 | 176 | 434 | 192 | 226 | 24 | 14.3 |
| 40 | 196 | 434 | 192 | 226 | 24.5 | 18.8 |
| 50 | 222 | 498 | 216 | 276 | 36 | 32 |
| 65 | 282 | 552 | 251 | 352 | 64.5 | 60 |
| 80 | 302 | 575 | 264 | 352 | 71.5 | 78 |
| 100 | 342 | 658 | 321 | 401 | 111 | 120 |
| 125 | 400 | 658 | 321 | 401 | 115 | 125 |
| 150 | 465 | 814 | 414 | 502 | 234.3 | 250 |
| 200 | 469 | 814 | 414 | 502 | 242 | 260 |
All dimensions in mm unless specified otherwise

| Number | Part | Material | Grade | Qty |
|---|---|---|---|---|
| 1 | Body | Ductile Cast Iron | FCD450 | 1 |
| 2 | Pilot Body | Ductile Cast Iron | FCD450 | 1 |
| 3 | Spring Chamber | Cast Iron | FC200 | 1 |
| 4 | Top Diaphragm Case | Ductile Cast Iron | FCD450 | 1 |
| 5 | Bottom Diaphragm Case | Ductile Cast Iron | FCD450 | 1 |
| 6 | Main Valve | Stainless Steel | SUS420J2 | 1 |
| 7 | Main Valve Seat | Stainless Steel | SUS420J2 | 1 |
| 8 | Gasket | Copper | C1100 | 1 |
| 9 | Main Spindle | Stainless Steel | SUS403 | 1 |
| 10 | Guide | Stainless Steel | SUS420J2 | 1 |
| 11 | Retainer | Brass or Bronze | C3771 or CAC406 | 1 |
| 12 | Main Diaphragm | Stainless Steel | SUS301 | 2 |
| 13 | Spring | Stainless Steel | SUS304 | 1 |
| 14 | Spring Plate | Brass | C3604 | 1 |
| 15 | Screen | Stainless Steel | SUS304 | 1 |
| 16 | Gasket | Non Asbestos | Non Asbestos | 1 or 2 |
| 17 | Pilot Valve | Stainless Steel | SUS420J2 | 1 |
| 18 | Pilot Valve Seat | Stainless Steel | SUS420J2 | 1 |
| 19 | Pilot Valve Spring | Stainless Steel | SUS304 | 1 |
| 20 | Pilot Spring Plate | Stainless Steel | SUS304 | 1 |
| 21 | Bolt | Stainless Steel | SUS | 1 |
| 22 | Gasket | Copper | C1100 | 1 |
| 23 | Pilot Diaphragm | Stainless Steel | SUS301 | 2 |
| 24 | Spring | Plano Wire or Alloy Steel | SWP or SWOSC | 1 |
| 25 | Top Spring Plate | Brass | C3604 | 1 |
| 26 | Bottom Spring Plate | Brass | C3604 | 1 |
| 27 | Adjusting Screw | Rolled Steel | SS400 | 1 |
| 28 | Lock Nut | Steel | Steel | 1 |
| 29 | Plug | Steel | Steel | 2 |
| 30 | Joint | Brass | C3604 | 2 |
| 32 | Elbow | Brass | C3771 | 1 |
| 33 | Tee | Brass | C3771 | 1 |
| 34 | Pipe | Copper | C1220 | 1 |
| 35 | Pipe | Copper | C1220 | 1 |
| 36 | Pipe | Copper | C1220 | 1 |
| 37 | Bolt | Carbon Steel | SCM435 | 4 |
| 38 | Bolt | Carbon Steel | SCM435 | 4 |
| 39 | Stud Bolt | Carbon Steel | SCM435 | 4 |
| 40 | Nut | Steel | Steel | 4 |
| 41 | Bolt | Carbon Steel | SCM435 | 1 set |
| 42 | Name Plate | Stainless Steel | SUS304 | 1 |
| 47 | Gasket | Non Asbestos | Non Asbestos | 0 or 1 |
| 49 | Plug | Steel | Steel | 3 |
| 53 | E-Ring | Stainless Steel | SUS | 1 |
| 55 | Sensing Plate | Copper | C1220 | 1 |
| 56 | Joint | Brass | C3604 | 2 |
Size 50mm to 200mm
Body Ductile Iron
Application Steam
Inlet Pressure Range 1 to 20 Bar
Outlet Pressure Range 0.2 to 14 BAR
Temperature 0°C to 220°C