• Suitable for checking continous flow
  • Horizontal or vertical installation
  • Made by Yoshitake Japan
Application Water| Oil & compatible fluids
Type Flap Sight Glass
Max Pressure 10 Bar
Temperature 0°C to 150°C
Connection BSPT (ISO 7.1)
Max Thermal Shock 100°C
Body Ductile cast iron
Glass Hardened glass
Flap Stainless steel

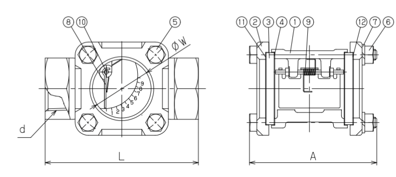
SF-1S Flap Type Sight Glass Dimensions

Size L A W Weight (kg)
1/2" 80 79 35 0.7
3/4" 90 79 35 0.8
1" 115 100.5 44 1.4
1-1/4" 127 115.5 57 2.5
1-1/2" 140 115.5 57 2.8
2" 162 147 73 5.4

SF-1S Flap Type Sight Glass Dimensions

Number Name Material Grade Qty
1 Body Ductile cast iron FCD450 1
2 Cover Ductile cast iron FCD450 2
3 Glass Tempered glass Tempered glass 2
4 Gasket Non-asbestos Non-asbestos 2
5 Bolt Carbon Steel SCM435 4
6 Nut Carbon Steel S45C 4
7 Spring Washer Carbon Steel SWRH 4
8 Flap Stainless Steel SUS304 1
9 Flap Spring Stainless Steel SUS304 1
10 Spindle Stainless Steel SUS304 1
11 Scale Plate Aluminium A1050 1
12 Scale Plate Aluminium A1050 1

 

 

Size 1/2" to 2" BSPT
Body Ductile Iron
Pressure Range 0 to 10 BAR
Temperature 0 to 150°C

Product History